GTB-30/50轻型试验变压器
产品概述:
本系列变压器,利用先进的生产设备,采用线圈绕组环氧真空浇注及CD型铁芯的新工艺,和同类产品油浸式变压器相比,明显地降低重量,减少体积,在质量上提高了绝缘强度和抗湿程度,并有效地削弱了漏磁而大大加强
本系列产品具有重量轻,体积小,造型美观,性能稳定,使用携带方便等特点,特别适用于现场操作使用,是国内更新换代的新型交直流两用高压试验变压器。本系列产品适用于电力系统及各电力用户的现场检测各种电气设备的绝缘性能试验、电器产品的直流高压小电流的各种电压系统或装置中的高压电源。
GTB-30/50轻型试验变压器
技术指标:
1、阻抗电压: ≤12 %
2、输出电压波形: 正弦波
3、表面温升: <55 ℃
4、空载损耗: <0.4 %
5、允许连续运行时间: 1小时
6、间续运行时间: 连续
技术参数:
规 格 型 号 | 容 量 | 输入 电压 | 输出 电压 | 输出 电流 | 输出直流高压 | 重 量 |
( kVA ) | ( V ) | ( kV ) | ( mA ) | ( kV ) | ( kg ) | |
GTB-1.5/50 | 1.5 | 200 或 400 | 50 | 30 | 70 | 15 |
GTB-3/50 | 3 | 60 | 20 | |||
GTB-5/50 | 5 | 100 | 30 | |||
GTB-10/50 | 10 | 200 | 40 | |||
GTB-15/50 | 15 | 300 | 50 | |||
GTB-20/50 | 20 | 400 | 55 | |||
GTB-25/50 | 25 | 500 | 60 | |||
GTB-30/50 | 30 | 600 | 65 | |||
GTB-5/100 | 5 | 200 或 400 | 100 | 50 | 140 | 60 |
GTB-10/100 | 10 | 100 | 65 | |||
GTB-15/100 | 15 | 150 | 70 | |||
GTB-20/100 | 20 | 200 | 75 | |||
GTB-25/100 | 25 | 250 | 80 | |||
GTB-15/120 | 15 | 120 | 125 |
| 85 | |
GTB-20/120 | 20 | 160 |
| 90 | ||
GTB-25/120 | 25 | 200 |
| 95 | ||
GTB-30/120 | 30 | 250 |
| 100 | ||
串级变6/100 | 3kVA/50kV串6kVA/50kV | |||||
串级变6/150 | 3kVA/75kV串6kVA/75kV | |||||
GTB-30/50轻型试验变压器
注:以上提供的目录,为本公司生产的干式试验变压器,特殊规格, 也可根据用户提供的参数和要求设计生产,以满足用户的需要。
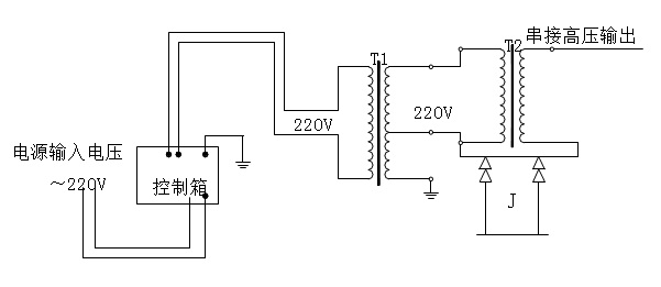
工作原理:
本系列产品输入电压为200V或400V利用电磁感应原理根据需要改变输入电压,即可获得输出高压从零伏连续可调到额定的zui高值。在作直流耐压及泄漏电流测试时,只要把高压硅堆旋装在高压输出端,即可改变输入电压,从而获得不同值的直流高压输出。
本系列产品的具体工作原理见图(1),当用作串级使用时,其联线方式见图(2)。

图(1)原理图

图(2)联线方式示意图